ISP Pipeline介绍
来源:深圳市凯茉锐电子科技有限公司2025-11-26
一、什么是ISP PipelineISP(Image Signal Process )pipeline,即图像处理流水线, 是把图像处理器采集到的原始数字信号转换为最后可显示的高质量图像的“加工流水线”,这条流水线包含各加工模块(即ISP pipeline中负责不同功能的算法模块,如负责降噪的降噪算法模块,负责边缘增强的锐化算法模块等)以及流水线流向(即各算法模块的排列)等,这些因素共同构成了一个完整的ISP Pipeline。由于现在主流的图像传感器输出的几乎都是BAYER格式的RAW数据,这种格式的数据是无法直接观看的,必须经过相应的处理。因此,ISP Pipeline是必不可少的。二、常见的ISP Pipeline通常的ISP Pipeline包含几十个算法模块,每个模块负责不同的功能。这些模块首尾相连,在时钟的驱动下高速运转,数据流不断地从一个模块流转至下一个模块,直至完成所有模块处理,最终从流水线中流出。下表中列出了常见的ISP算法模块及其简要说明。
序号 | 模块名称 | 功能描述 |
1 | DPC(defective pixel correct) | 坏点校正 |
2 | BLC(black level correct) | 黑电平校正 |
3 | BNR(bayer noise reduction) | RAW域降噪 |
4 | LSC(lens shading correct) | 镜头阴影校正 |
5 | GB(green balance) | 绿平衡 |
6 | DG(digital gain) | 数字增益 |
7 | stat | 3A统计模块 |
8 | AWB(auto white balance) | 自动白平衡 |
9 | AE(auto exposure) | 自动曝光 |
10 | AF(auto focus) | 自动聚焦 |
11 | DMS(demosaic) | 去马赛克 |
12 | CAC(chromatic aberration correct) | 色差校正,主要是去紫边 |
13 | CC(color correction) | 色彩校正 |
14 | gamma | gamma校正 |
15 | dehaze | 去雾 |
16 | CSC(color space convert) | 色彩空间转换 |
17 | YNR(lums noise reduction) | 亮度降噪 |
18 | CNR(chroma noise reduction) | 色彩降噪 |
19 | TM(tone mapping) | 色调映射 |
20 | EE(edge enhance) | 边缘增强 |
21 | DRC(dynamic range compression) | 动态范围压缩 |
22 | WDR(wide dynamic range) | 宽动态范围 |
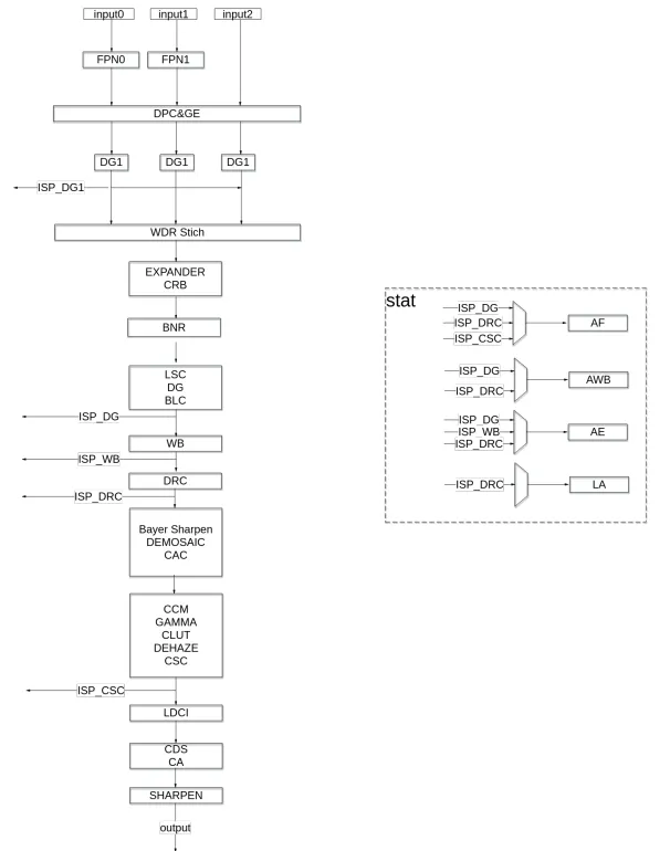
上表中是目前主流ISP厂商的pipeline中包含的算法模块,当然也不排除ISP厂商根据需求加入其他的算法模块。对ISP各算法模块的排列,不同厂商也是不一样的。下图中为几家主流厂商的ISP流程图:
图1、HI3403 ISP流程图
图2、CV180X & CV181X ISP流程图

图3、RK3588 ISP流程图
不同厂商ISP流程也是不同的。这也体现出不同厂商对ISP不同功能的侧重。三、哪些公司会用到ISP理论上来说,所有需要成像的公司都离不开ISP。包括安防,交通,消费电子如手机、运动相机,无人机,智能家居如可视门铃,医疗领域如医疗内窥镜,自动驾驶等等。但并不是所有公司都需要自己开发ISP。根据对ISP开发程度,可以粗略的把这些公司分为三类:第一类,不自己开发ISP,只进行ISP调试;这类公司一般利用SOC芯片如HISI,NT中的ISP模块,因此只进行基于SOC平台的ISP调试即可;第二类,只开发特定的ISP算法模块,主要是3A算法,其他ISP算法仍然使用SOC平台中的ISP模块。因为很多SOC都支持使用者自己开发3A算法,因此,这类公司会选择自己开发3A算法。第三类,整个ISP都自己开发。这类公司通常包括一些SOC厂商如HISI、RK,手机厂商如vivo(专门开发ISP芯片)等,也有一些厂商选择基于FPGA实现自研ISP算法,如一些医疗器械厂商等。
相关资讯
- 2025-11-27
- 2025-11-26
- 2025-11-25
视频输出接口、CVBS、VGA、HDMI、TVI、AHD等等
2025-11-24- 2025-11-21
- 2025-11-20






13798538021